直线导轨/

产品搜索
搜索

直线导轨

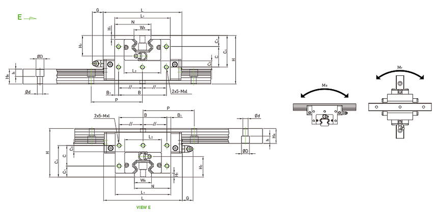
AG系列 交叉构型直线导轨

无滑动平台构造
-降低安装空间,使设备更小化、轻化。

高精度制造
-两支轨道在相对直度上高精度加工,所以在垂直度方面有特别高的精度。

高扭转刚性
-该滑块相较于两个HG滑块背对背以螺丝锁固在一起的刚性高50%。
在线留言

产品说明

产品型号:


产品尺寸:


AG 尺寸 :

施工案例